• 泡芙短视频APP安装,泡芙短视频APP官方下载地址,泡芙APP安卓版下载,泡芙APP下载入口

    工业泡芙短视频APP官方下载地址厂家专业提供工业泡芙短视频APP官方下载地址,家用泡芙短视频APP官方下载地址,商用泡芙短视频APP官方下载地址等产品,欢迎来电咨询定制。 公司简介| 研发团队| 网站地图| xml地图
    工业·商用除湿设备生产商

    工业泡芙短视频APP官方下载地址·商用泡芙短视频APP官方下载地址·恒温恒湿机·非标定制

    全国咨询热线133-6050-3273
    您的位置:泡芙APP下载入口 > 行业资讯
    全面简析风冷模块机组(原理、结构、热回收及安装要点)

    全面简析风冷模块机组(原理、结构、热回收及安装要点)

    作者:CEO 时间:2022-07-28

    信息摘要:风冷模块机组的主要特点1、是以空气为冷(热)源,以水为供冷(热)介质的中央空调机组,即冷凝器为翅片式换热器,蒸发器为水氟换热应用的换热器,如套管、壳管及板式换热器等。v2、作为冷热源兼用型的一体化设备,风冷热泵省却了冷却塔、冷却水泵、锅炉以及相应管道系统等多种辅件,系统结构简单,安装空间节省,维护管

    全面简析风冷模块机组(原理、结构、热回收及安装要点)

    (全面简析风冷模块机组(原理、结构、热回收及安装要点))

      风冷模块机组的主要特点

      1、是以空气为冷(热)源,以水为供冷(热)介质的中央空调机组,即冷凝器为翅片式换热器,蒸发器为水氟换热应用的换热器,如套管、壳管及板式换热器等。

      v2、作为冷热源兼用型的一体化设备,风冷热泵省却了冷却塔、冷却水泵、锅炉以及相应管道系统等多种辅件,系统结构简单,安装空间节省,维护管理方便而且节约能源,尤其适用于水源缺乏区域。

      3、风冷热泵机组通常是许多冬冷夏热,既无供热锅炉,又无供热热网,或热网供热时间短、不稳定,要求全年空调的暖通工程设计中优先选用的有效补充。

      4、其与风机盘管、空调箱等末端装置所组成的集中、半集中式中央空调系统具有布置灵活、控制方式多样等优点。

      机组工作原理

      制冷模式

      工业泡芙短视频APP官方下载地址厂家

      压缩机排出的制冷剂高温气体在风侧换热器中冷凝成液体,经节流装置节流降压,进入水侧换热器,吸收热量蒸发后回到压缩机,完成一个制冷循环;同时,从室内来的空调用水经过水侧换热器后被冷却降温。

      制热模式

      工业泡芙短视频APP官方下载地址厂家

      压缩机排出的制冷剂高温气体在水侧换热器中冷凝成液体,经节流装置节流降压,进入风侧换热器,吸收热量蒸发后回到压缩机,完成一个制热循环;同时,从室内来的空调用水经过水侧换热器后被加热升温。

      机组一般结构及配置特点

      工业泡芙短视频APP官方下载地址厂家

      

      涡旋压缩机

      工业泡芙短视频APP官方下载地址厂家

      

      涡旋压缩机具有体积小、重量轻、效率高、振动与操作低、运行可靠、加工精度要求高等特点。

      换热器

      工业泡芙短视频APP官方下载地址厂家

      

      双系统板式换热器:每个制冷剂回路都与水回路相邻,部分负荷时冻冰风险大为降低。部分负荷时传热温差增加20%,COP增大4%。

      工业泡芙短视频APP官方下载地址厂家

      套管式换热器:制冷剂在换热管内强制对流沸腾并冷却管壁,循环水在管束外强制对流并加热管壁,两种介质通过换热管壁传热。

      工业泡芙短视频APP官方下载地址厂家

      风冷翅片换热器:采用优质铜管与由亲水膜材料制成的强化铝翅片经涨管机涨管而成。管片结合紧密,传热效率高;运行维护、清洁方便。

      四通换向阀

      工业泡芙短视频APP官方下载地址厂家

      

      四通换向阀是一种两进两出的特殊电磁阀,用于压缩式热泵系统供暖与制冷工况转换。当热泵从制冷工况转为供暖工况时,四通换向阀动作(转到供暖工况位置),于是室内蒸发器作为冷凝器用,压缩机排出的高温制冷剂蒸汽经四通流入室内蒸发器(此时作冷凝器用),而冷凝器则成为蒸发器,完成工况转换。

      节流阀

      工业泡芙短视频APP官方下载地址厂家

      

      热力膨胀阀:是调节进入蒸发器中挥发性制冷剂流量的控制机构。具有的作用:节流降压、控制流量、控制过热度。

      工业泡芙短视频APP官方下载地址厂家

      电子膨胀阀是按照预设程序调节蒸发器供液量,因属于电子式调节模式,故称为电子膨胀阀。对于热力膨胀阀,当环境温度较低,其感温包内部的感温介质的压力变化大大减小,严重影响了调节性能。而对于电子膨胀阀,其感温部件为热电偶或热电阻,它们在低温下同样能准确反应出过热度的变化。因此,在冷藏库的冻结间等低温环境中,电子膨胀阀也能提供较好的流量调节。

      电磁阀

      工业泡芙短视频APP官方下载地址厂家

      防止液击

      干燥过滤器

      工业泡芙短视频APP官方下载地址厂家

      机组系统的清洁卫士

      视液镜

      工业泡芙短视频APP官方下载地址厂家

      均液器

      工业泡芙短视频APP官方下载地址厂家

      平均分配制冷剂

      过滤器

      工业泡芙短视频APP官方下载地址厂家

      有效改善水质条件

      水流开关

      工业泡芙短视频APP官方下载地址厂家

      有效改善水流条件,合适的水流量是空调主机可靠工作的必要保证。

      控制器

      工业泡芙短视频APP官方下载地址厂家

      安全保护、远程控制等功能。

      几种换热器比较

      工业泡芙短视频APP官方下载地址厂家

      机组设计安装及应用

      设备选型(估算)

      通常根据制冷负荷估算:房间制冷量=单位负荷指标×房间面积

      工业泡芙短视频APP官方下载地址厂家

      根据计算负荷、进出水温度、环境温度等值查选样本选择能满足条件的机型!(条件需要重点考虑)

      水系统形式及对比

      水系统形式一般有:同程式、异程式、混合式。

      工业泡芙短视频APP官方下载地址厂家

      同程式连接示意图

      工业泡芙短视频APP官方下载地址厂家

      异程式连接示意图

      工业泡芙短视频APP官方下载地址厂家

      

      混合式连接示意图

      工业泡芙短视频APP官方下载地址厂家

      

      水泵的选择与水系统配件

      所谓水泵的选取计算其实就是估算(很多计算公式本身就是估算的),估算分的细致些考虑的内容全面些就是精确的计算。暖通南社在推送的课件中多次提到。

      水泵扬程简易估算法:

      Hmax=△P1+△P2+0.05L(1+K)

      △P1为冷水机组蒸发器的水压降。

      △P2为该环中并联的各占空调未端装置的水压损失最大的一台的水压降。

      L为该最不利环路的管长。

      K为最不利环路中局部阻力当量长度总和和与直管总长的比值,当最不利环路较长时K值取0.2~0.3,最不利环路较短时K值取0.4~0.6。

      水流量计算

      1、冷却水流量:一般按照产品样本提供数值选取,或按照如下公式进行计算,公式中的Q为制冷主机制冷量:

      L(m3/h)=[Q(kW)/(4.5~5)℃x1.163]×(1.15~1.2)

      2、冷冻水流量:在没有考虑同时使用率的情况下选定的机组,可根据产品样本提供的数值选用或根据如下公式进行计算。如果考虑了同时使用率,建议用如下公式进行计算。公式中的Q为建筑没有考虑同时使用率情况下的总冷负荷。

      L(m3/h)=Q(kW)/(4.5~5)℃×1.163

      3、冷却水补水量一般1为冷却水循环水量的1~1.6%。

      水系统配件

      工业泡芙短视频APP官方下载地址厂家

      工业泡芙短视频APP官方下载地址厂家

      安装方式与安装空间

      安装方式及优缺点

      工业泡芙短视频APP官方下载地址厂家

      工业泡芙短视频APP官方下载地址厂家

      安装空间

      工业泡芙短视频APP官方下载地址厂家

      热回收模块水管路安装示意图

      工业泡芙短视频APP官方下载地址厂家

      工业泡芙短视频APP官方下载地址厂家

      工业泡芙短视频APP官方下载地址厂家

      工业泡芙短视频APP官方下载地址厂家

      工业泡芙短视频APP官方下载地址厂家

      工业泡芙短视频APP官方下载地址厂家

      热回收概念及其形式

      关于风冷热回收,暖通南社在相关课件多次提到。这里简单阐述下。

      热回收概念

      如下图,在lgP-H图中

      2点到5点的过程为整个冷凝过程

      2点到3点是制冷剂的过热段显热放热过程

      3点到4点是制冷剂的潜热放热过程

      4点到5点是制冷剂的过冷段显热放热过程

      工业泡芙短视频APP官方下载地址厂家

      部分热回收指部分利用制冷剂的冷凝热加热生活用水,水温高于冷凝温度(上图2—3过程);

      全部热回收指制冷剂过热蒸气冷却、冷凝和过冷,冷凝热全部回收加热生活用水,水温低于冷凝温度(上图2—5过程)。

      部分热回收:只利用压缩机出口蒸汽显热,蒸汽显热一般占全部冷凝热的15﹪左右,其它的冷凝热在冷凝器中被风机带走;

      全热回收:利用全部的冷凝热。

      工业泡芙短视频APP官方下载地址厂家

      工业泡芙短视频APP官方下载地址厂家

      机组热回收内部结构与特点

      工业泡芙短视频APP官方下载地址厂家

      机组热回收内部结构与特点

      风冷热泵全热回收—制冷

      此时与普通风冷冷水机组一样使用,提供空调用冷冻水。制冷剂直接流入风冷冷凝器冷凝。

      工业泡芙短视频APP官方下载地址厂家

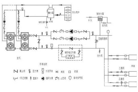
      风冷热泵全热回收—制冷+热回收

      高温高压的制冷剂直接从压缩机至热回收器,机组在提供7℃冻水的同时又提供55℃生活热水。COP极高,最节能。

      工业泡芙短视频APP官方下载地址厂家

      风冷热泵全热回收置—空调制热

      此时与普通风冷热泵机组一样使用,提供空调用热水。制冷剂直接流入水侧换热器,从空气中吸取热量。

      工业泡芙短视频APP官方下载地址厂家

    声明:本站部分内容和图片来源于互联网,经本站整理和编辑,版权归原作者所有,本站转载出于传递更多信息、交流和学习之目的,不做商用不拥有所有权,不承担相关法律责任。若有来源标注存在错误或侵犯到您的权益,烦请告知网站管理员,将于第一时间整改处理。管理员邮箱:y569#qq.com(#改@)
    在线客服
    联系方式

    热线电话

    133-6050-3273

    上班时间

    周一到周五

    公司电话

    133-6050-3273

    微信二维码
    线
    网站地图